Masini unelte prelucrare lemn, metal si tabla - Importator oficial Bernardo Austria in Romania - 0730260454

Bernardo Universal cu 3 bacuri Standard PS3-500

Bernardo
16.507,40 Lei
Universalul cu trei bacuri Standard PS3-500 este un dispozitiv utilizat pentru fixarea pieselor pe strunguri sau alte utilaje de prelucrare. Aceasta mandrină are un diametru de 500 mm și este echipată cu trei bacuri prisme care se mișcă simultan pentru a prinde piesa în mod uniform.
La comanda

Durata de livrare: estimativ 2 - 10 zile lucratoare in functie de locatia si disponibilitatea stocului IASI sau AUSTRIA, iar pentru produsele LA COMANDA va rugam solicitati termen de livrare

Limita stoc
Adauga in cos
Cod Produs: BN-21-1008F Ai nevoie de ajutor? 0730260454
Adauga la Favorite Cere informatii
  • Caracteristici
  • Review-uri (0)

Proprietati:

Execuţie:

  • Mandrină de strunjire cu trei bacuri standard cu un corp de font de înaltă calitate
  • Cu prindere de centrare conform DIN 6350
  • Inclusiv câte 1 set de bacuri de strunjire şi găurire

 

Domeniu de utilizare:

  • Adecvat pentru maşini de strunjit şi rectificat
  • Pentru utilizarea la maşini cu o precizie crescută a rotirii concentrice

 

Accesorii standard

  • 1 set bacuri de strunjire IJ-PS3
  • 1 set bacuri de găurire OJ-PS3

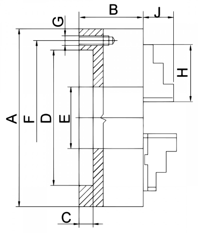
Specificatii Tehnice:

A- mărime mandrină

500

B

120 mm

C

5 mm

D

 420 mm

E

190 mm

F

458 mm

G

M16

h

180 mm

J

60 mm

Turaţie max.

700 rot/min

Greutate cca.

145 kg

Daca doresti sa iti exprimi parerea despre acest produs poti adauga un review.

Review-ul a fost trimis cu succes.

Compara produse

Trebuie sa mai adaugi cel putin un produs pentru a compara produse.

A fost adaugat la favorite!

A fost sters din favorite!