Masini unelte prelucrare lemn, metal si tabla - Importator oficial Bernardo Austria in Romania - 0730260454

Bernardo Universal cu 3 bacuri Bernardo DK11, DIN 6350, DK11-315, fonta

Bernardo
3.282,07 Lei
Mandrina standard cu 3 fălci DK11-315 este un dispozitiv de prindere utilizat pe strunguri și alte mașini-unelte pentru fixarea pieselor cilindrice sau de formă regulată. Datorită mecanismului său auto-centrare, aceasta asigură o prindere precisă și uniformă, fiind ideală pentru aplicații industriale și ateliere de prelucrare.
In stoc

Durata de livrare: estimativ 2 - 10 zile lucratoare in functie de locatia si disponibilitatea stocului IASI sau AUSTRIA, iar pentru produsele LA COMANDA va rugam solicitati termen de livrare

Limita stoc
Adauga in cos
Cod Produs: BN-21-0756 Ai nevoie de ajutor? 0730260454
Adauga la Favorite Cere informatii
  • Caracteristici
  • Review-uri (0)

Proprietati:

Execuţie:

  • Mandrină de strunjire cu trei bacuri standard cu un corp de font de înaltă calitate
  • Cu prindere de centrare conform DIN 6350
  • Inclusiv câte 1 set de bacuri de strunjire şi găurire

 

Domeniu de utilizare:

  • Adecvat pentru strunguri şi dispozitive de găurit

 

Accesorii standard

  • 1 set bacuri de strunjire DIJ-DK11
  • 1 set bacuri de găurire DOJ-DK11

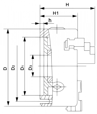
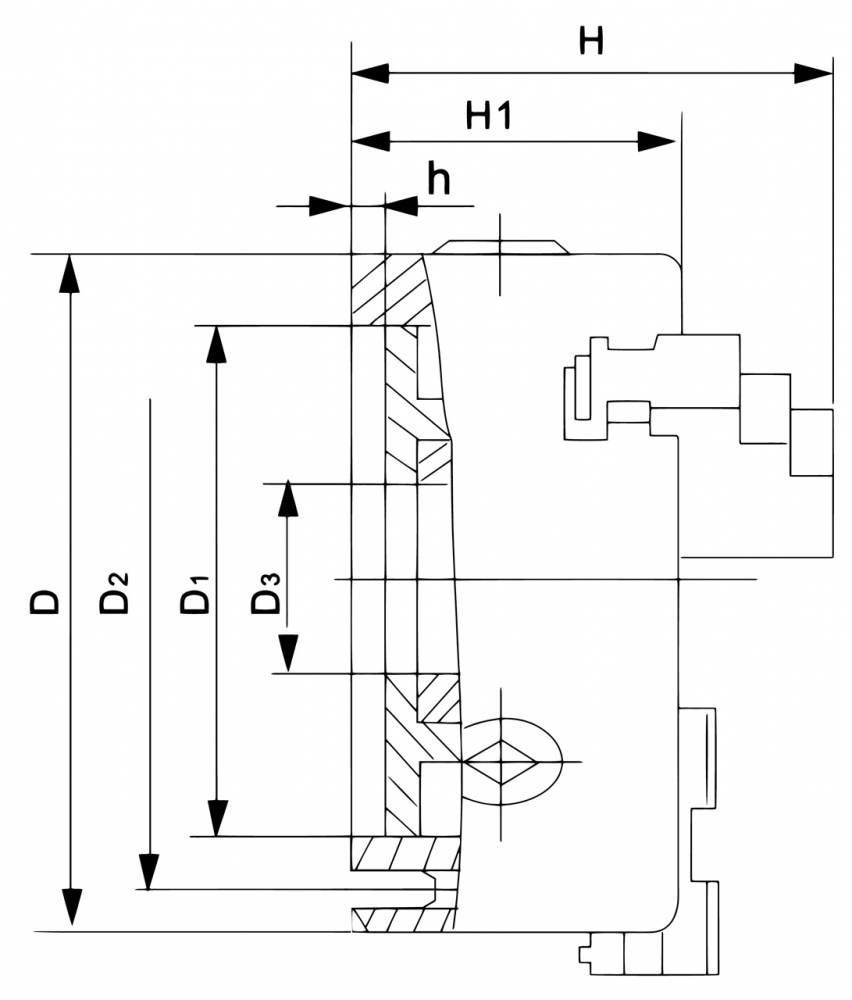
Specificatii Tehnice:

D - mărime mandrină

315

D1

260 mm

D2

286 mm

D3

100 mm

h

156,5 mm

H1

90 mm

h

6 mm

Şuruburi de fixare

6 x M16

Turaţie max.

1200 rot/min

Greutate cca.

47 kg

Daca doresti sa iti exprimi parerea despre acest produs poti adauga un review.

Review-ul a fost trimis cu succes.

Compara produse

Trebuie sa mai adaugi cel putin un produs pentru a compara produse.

A fost adaugat la favorite!

A fost sters din favorite!