Masini unelte prelucrare lemn, metal si tabla - Importator oficial Bernardo Austria in Romania - 0730260454

Bernardo Universal cu 3 bacuri Standard PS3-250

Bernardo
2.945,45 Lei
Universalul cu trei bacuri Standard PS3-250 este un dispozitiv utilizat pentru fixarea pieselor pe strunguri sau alte utilaje de prelucrare. Aceasta mandrină are un diametru de 250 mm și este echipată cu trei bacuri prisme care se mișcă simultan pentru a prinde piesa în mod uniform.
La comanda

Durata de livrare: estimativ 2 - 10 zile lucratoare in functie de locatia si disponibilitatea stocului IASI sau AUSTRIA, iar pentru produsele LA COMANDA va rugam solicitati termen de livrare

Limita stoc
Adauga in cos
Cod Produs: BN-21-1005F Ai nevoie de ajutor? 0730260454
Adauga la Favorite Cere informatii
  • Caracteristici
  • Review-uri (0)

Proprietati:

Execuţie:

  • Mandrină de strunjire cu trei bacuri standard cu un corp de font de înaltă calitate
  • Cu prindere de centrare conform DIN 6350
  • Inclusiv câte 1 set de bacuri de strunjire şi găurire

 

Domeniu de utilizare:

  • Adecvat pentru maşini de strunjit şi rectificat
  • Pentru utilizarea la maşini cu o precizie crescută a rotirii concentrice

 

Accesorii standard

  • 1 set bacuri de strunjire IJ-PS3
  • 1 set bacuri de găurire OJ-PS3

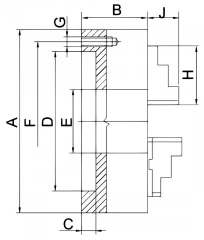
Specificatii Tehnice:

Mărime mandrină - A

250

B

85 mm

C

5 mm

D

200 mm

E

76 mm

F

224 mm

G

M12

h

105 mm

J

34 mm

Turaţie max.

2000 rot/min

Greutate cca.

29 kg

Daca doresti sa iti exprimi parerea despre acest produs poti adauga un review.

Review-ul a fost trimis cu succes.

Compara produse

Trebuie sa mai adaugi cel putin un produs pentru a compara produse.

A fost adaugat la favorite!

A fost sters din favorite!