Masini unelte prelucrare lemn, metal si tabla - Importator oficial Bernardo Austria in Romania - 0730260454

Bernardo Universal cu 3 bacuri Standard DK11-315/D6

Bernardo
4.246,61 Lei
Universal standard cu 3 bacuri DK11-315/D6 de la Bernardo este o mandrină cu trei bacuri, având un diametru de 315 mm. Aceasta este fabricată din fontă de înaltă calitate și este echipată cu o prindere directă Camlock conform standardului DIN 55029.
La comanda

Durata de livrare: estimativ 2 - 10 zile lucratoare in functie de locatia si disponibilitatea stocului IASI sau AUSTRIA, iar pentru produsele LA COMANDA va rugam solicitati termen de livrare

Limita stoc
Adauga in cos
Cod Produs: BN-21-0788 Ai nevoie de ajutor? 0730260454
Adauga la Favorite Cere informatii
  • Caracteristici
  • Review-uri (0)

Proprietati:

Execuţie:

  • Mandrină de strunjire cu trei bacuri standard cu un corp de font de înaltă calitate
  • Cu prindere directă camlock conform DIN 55029
  • Inclusiv câte 1 set de bacuri de strunjire şi găurire

 

Domeniu de utilizare:

  • Adecvat pentru strunguri convenţionale

 

Accesorii standard

  • 1 set bacuri de strunjire DIJ-DK11
  • 1 set bacuri de găurire DOJ-DK11

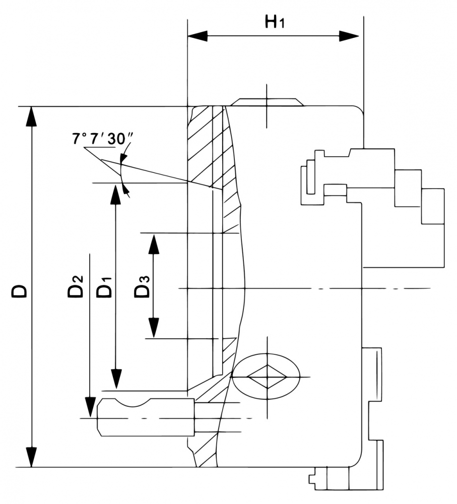
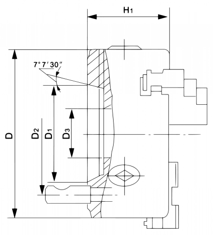
Specificatii Tehnice:

Mărime mandrină

315/D6

D - Diametru

315 mm

Con

6

D1 (max.)

106,390 mm

D2

133,4 mm

D3

100 mm

H1

113 mm

Turaţie max.

1200 rot/min

Greutate cca.

51 kg

Daca doresti sa iti exprimi parerea despre acest produs poti adauga un review.

Review-ul a fost trimis cu succes.

Compara produse

Trebuie sa mai adaugi cel putin un produs pentru a compara produse.

A fost adaugat la favorite!

A fost sters din favorite!