Masini unelte prelucrare lemn, metal si tabla - Importator oficial Bernardo Austria in Romania - 0730260454

Bernardo Falci de baza dure MJ-PS4-200

Bernardo
1.063,73 Lei
Fălcile de bază sunt componente esențiale utilizate în mandrine pentru a prinde piesele de lucru în mod ferm și stabil. Ele sunt de obicei fixate pe mandrina strungului sau a altor mașini de prelucrat și oferă suportul inițial pentru prinderea piesei.
La comanda

Durata de livrare: estimativ 2 - 10 zile lucratoare in functie de locatia si disponibilitatea stocului IASI sau AUSTRIA, iar pentru produsele LA COMANDA va rugam solicitati termen de livrare

Limita stoc
Adauga in cos
Cod Produs: BN-21-3302 Ai nevoie de ajutor? 0730260454
Adauga la Favorite Cere informatii
  • Caracteristici
  • Review-uri (0)

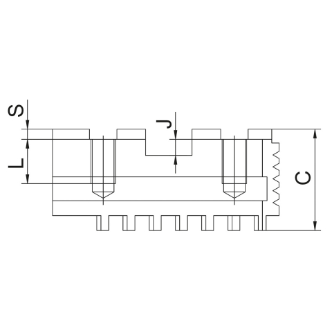
Specificatii Tehnice:

 

Mărime mandrină

200 mm

K

22,25 mm

h

34,9 mm

G+0,01

12,69 mm

F-0,03

7,94 mm

J

4 mm

S

3,2 mm

C

33 mm

L

14 mm

D

9 mm

E

10 mm

B

25 mm

a

79 mm

Mărime bolţuri

M10

 

Daca doresti sa iti exprimi parerea despre acest produs poti adauga un review.

Review-ul a fost trimis cu succes.

Compara produse

Trebuie sa mai adaugi cel putin un produs pentru a compara produse.

A fost adaugat la favorite!

A fost sters din favorite!