Masini unelte prelucrare lemn, metal si tabla - Importator oficial Bernardo Austria in Romania - 0730260454

Bernardo Falci moi de schimb STJ-PS4-125

Bernardo
537,30 Lei
Fălcile moi de schimb sunt componente utilizate pentru prinderea pieselor în mandrinele strungurilor, asigurând o fixare sigură și precisă. Acestea sunt fabricate din materiale moi, precum oțelul moale sau aluminiul, permițând ajustarea și prelucrarea ulterioară pentru o potrivire perfectă cu piesele de lucru.
La comanda

Durata de livrare: estimativ 2 - 10 zile lucratoare in functie de locatia si disponibilitatea stocului IASI sau AUSTRIA, iar pentru produsele LA COMANDA va rugam solicitati termen de livrare

Limita stoc
Adauga in cos
Cod Produs: BN-21-3260 Ai nevoie de ajutor? 0730260454
Adauga la Favorite Cere informatii
  • Caracteristici
  • Review-uri (0)

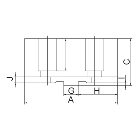
Specificatii Tehnice:

 

Mărime mandrină

125 mm

a

64 mm

B

22 mm

C

38,5 mm

D

7,95 mm

E

15 mm

F

32 mm

G

12,69 mm

h

25 mm

I

3,2 mm

J

4 mm

Mărime bolţuri

M8

 

Daca doresti sa iti exprimi parerea despre acest produs poti adauga un review.

Review-ul a fost trimis cu succes.

Compara produse

Trebuie sa mai adaugi cel putin un produs pentru a compara produse.

A fost adaugat la favorite!

A fost sters din favorite!