Masini unelte prelucrare lemn, metal si tabla - Importator oficial Bernardo Austria in Romania - 0730260454

Bernardo Universal cu 4 bacuri independente K72-800/D11

Bernardo
26.593,10 Lei
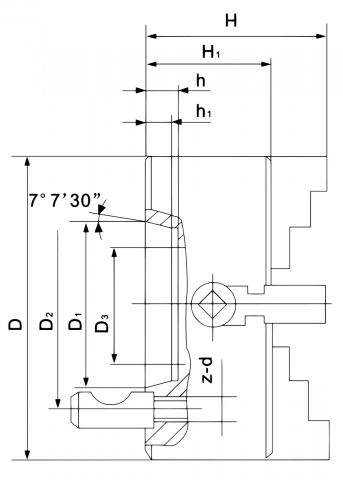
Universalul Bernardo K72-800/D11 cu patru bacuri din fontă, conceput special pentru fixarea pieselor asimetrice și dreptunghiulare pe strunguri. Acesta are un sistem de prindere Camlock conform standardului DIN 55029 și patru bacuri reglabile individual. Pentru modelele cu un diametru de 300 mm sau mai mare, sunt frezate caneluri în T.
La comanda

Durata de livrare: estimativ 2 - 10 zile lucratoare in functie de locatia si disponibilitatea stocului IASI sau AUSTRIA, iar pentru produsele LA COMANDA va rugam solicitati termen de livrare

Limita stoc
Adauga in cos
Cod Produs: BN-21-5076 Ai nevoie de ajutor? 0730260454
Adauga la Favorite Cere informatii
  • Caracteristici
  • Review-uri (0)

Proprietati:

Execuţie:

  • Planşaibă cu patru bacuri în execuţie din fontă
  • Cu prindere directă camlock conform DIN 55029
  • Patru bacuri de prindere unice ajustabile
  • De la un diametru de 300 mm canelurile T sunt frezate
  • Inclusiv 1 set de bacuri dure, piese separate

 

Domeniu de utilizare:

  • Adecvat pentru prinderea pe strunguri a pieselor de prelucrat asimetrice şi dreptunghiulare

Specificatii Tehnice:

Mărime mandrină

800/D11

D - Diametru

800 mm

Con

11

D1 (max.)

196,87 mm

D2

235 mm

D3

180 mm

H1

135 mm

Turaţie max.

240 rot/min

Greutate cca.

243 kg

Daca doresti sa iti exprimi parerea despre acest produs poti adauga un review.

Review-ul a fost trimis cu succes.

Compara produse

Trebuie sa mai adaugi cel putin un produs pentru a compara produse.

A fost adaugat la favorite!

A fost sters din favorite!