Masini unelte prelucrare lemn, metal si tabla - Importator oficial Bernardo Austria in Romania - 0730260454

Bernardo Universal cu 4 bacuri independente K72-320/D8

Bernardo
3.282,07 Lei
Universalul K72-320/D8 este un mandrin cu 4 bacuri independente, utilizat pentru fixarea pieselor pe strunguri convenționale și CNC. Datorită bacurilor reglabile individual, permite prinderea precisă a pieselor de formă neregulată sau excentrică, fiind ideal pentru aplicații mecanice complexe.
In stoc

Durata de livrare: estimativ 2 - 10 zile lucratoare in functie de locatia si disponibilitatea stocului IASI sau AUSTRIA, iar pentru produsele LA COMANDA va rugam solicitati termen de livrare

Limita stoc
Adauga in cos
Cod Produs: BN-21-5066 Ai nevoie de ajutor? 0730260454
Adauga la Favorite Cere informatii
  • Caracteristici
  • Review-uri (0)

Proprietati:

Execuţie:

  • Planşaibă cu patru bacuri în execuţie din fontă
  • Cu prindere directă camlock conform DIN 55029
  • Patru bacuri de prindere unice ajustabile
  • De la un diametru de 300 mm canelurile T sunt frezate
  • Inclusiv 1 set de bacuri dure, piese separate

 

Domeniu de utilizare:

  • Adecvat pentru prinderea pe strunguri a pieselor de prelucrat asimetrice şi dreptunghiulare

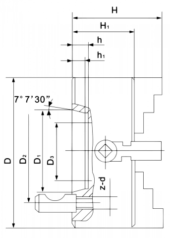
Specificatii Tehnice:

Mărime mandrină

320/D8

D - Diametru

320 mm

Con

8

D1 (max.)

139,72 mm

D2

171,4 mm

D3

95 mm

H1

90 mm

Turaţie max.

400 rot/min

Greutate cca.

38 kg

Daca doresti sa iti exprimi parerea despre acest produs poti adauga un review.

Review-ul a fost trimis cu succes.

Compara produse

Trebuie sa mai adaugi cel putin un produs pentru a compara produse.

A fost adaugat la favorite!

A fost sters din favorite!