Masini unelte prelucrare lemn, metal si tabla - Importator oficial Bernardo Austria in Romania - 0730260454

Bernardo Universal cu 4 bacuri independente K72-200/D4

Bernardo
1.891,82 Lei
Universalul K72-200/D4 este un platou de strunjire utilizat pentru fixarea pieselor de prelucrat pe strunguri convenționale sau CNC. Este prevăzut cu 4 bacuri independente, permițând reglarea individuală a fiecărui bac pentru prinderea pieselor de forme neregulate sau excentrice.
La comanda

Durata de livrare: estimativ 2 - 10 zile lucratoare in functie de locatia si disponibilitatea stocului IASI sau AUSTRIA, iar pentru produsele LA COMANDA va rugam solicitati termen de livrare

Limita stoc
Adauga in cos
Cod Produs: BN-21-5059 Ai nevoie de ajutor? 0730260454
Adauga la Favorite Cere informatii
  • Caracteristici
  • Review-uri (0)

Proprietati:

Execuţie:

  • Planşaibă cu patru bacuri în execuţie din fontă
  • Cu prindere directă camlock conform DIN 55029
  • Patru bacuri de prindere unice ajustabile
  • De la un diametru de 300 mm canelurile T sunt frezate
  • Inclusiv 1 set de bacuri dure, piese separate

 

Domeniu de utilizare:

  • Adecvat pentru prinderea pe strunguri a pieselor de prelucrat asimetrice şi dreptunghiulare

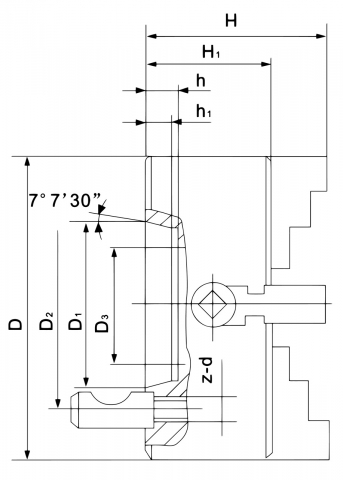
Specificatii Tehnice:

Mărime mandrină

200/D4

D - Diametru

200 mm

Con

4

D1 (max.)

63,51 mm

D2

82,6 mm

D3

56 mm

H1

75 mm

Turaţie max.

1440 rot/min

Greutate cca.

15 kg

Daca doresti sa iti exprimi parerea despre acest produs poti adauga un review.

Review-ul a fost trimis cu succes.

Compara produse

Trebuie sa mai adaugi cel putin un produs pentru a compara produse.

A fost adaugat la favorite!

A fost sters din favorite!