Masini unelte prelucrare lemn, metal si tabla - Importator oficial Bernardo Austria in Romania - 0730260454

Bernardo Universal cu 4 bacuri Standard DK12-100

Bernardo
1.232,04 Lei
Această mandrină este utilizată frecvent în prelucrarea metalelor și în operațiuni de strunjire, oferind mai multă versatilitate față de mandrinele cu 3 bacuri.
In stoc

Durata de livrare: estimativ 2 - 10 zile lucratoare in functie de locatia si disponibilitatea stocului IASI sau AUSTRIA, iar pentru produsele LA COMANDA va rugam solicitati termen de livrare

Limita stoc
Adauga in cos
Cod Produs: BN-21-0801 Ai nevoie de ajutor? 0730260454
Adauga la Favorite Cere informatii
  • Caracteristici
  • Review-uri (0)

Proprietati:

Execuţie:

  • Mandrină de strunjire standard cu patru bacuri şi cu un corp de fontă de înaltă calitate
  • Cu prindere de centrare conform DIN 6350
  • Inclusiv câte 1 set de bacuri de strunjire şi găurire

 

Domeniu de utilizare:

  • Adecvat pentru maşini de strunjit şi rectificat precum şi la dispozitive de frezare

 

Accesorii standard

  • 1 set bacuri de strunjire DIJ-DK11
  • 1 set bacuri de găurire DOJ-DK11

Specificatii Tehnice:

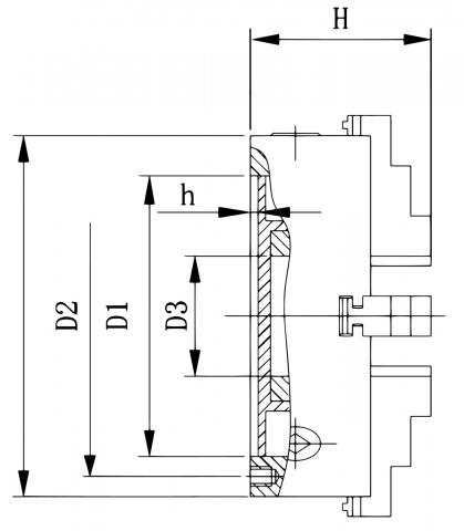
D - mărime mandrină

100

D1

70 mm

D2

83 mm

D3

22 mm

h

74,5 mm

H1

55 mm

h

3 mm

Şuruburi de fixare

3 x M8

Turaţie max.

3500 rot/min

Greutate cca.

3,2 kg

Daca doresti sa iti exprimi parerea despre acest produs poti adauga un review.

Review-ul a fost trimis cu succes.

Compara produse

Trebuie sa mai adaugi cel putin un produs pentru a compara produse.

A fost adaugat la favorite!

A fost sters din favorite!