Masini unelte prelucrare lemn, metal si tabla - Importator oficial Bernardo Austria in Romania - 0730260454

Bernardo Falci dure de interior DIJ-DK12-100

Bernardo
433,73 Lei
Aceste bacuri sunt ideale pentru aplicații de strunjire care necesită o prindere fermă și repetabilă a pieselor cilindrice, asigurând un nivel ridicat de precizie și siguranță în timpul prelucrării.
La comanda

Durata de livrare: estimativ 2 - 10 zile lucratoare in functie de locatia si disponibilitatea stocului IASI sau AUSTRIA, iar pentru produsele LA COMANDA va rugam solicitati termen de livrare

Limita stoc
Adauga in cos
Cod Produs: BN-21-0982 Ai nevoie de ajutor? 0730260454
Adauga la Favorite Cere informatii
  • Caracteristici
  • Review-uri (0)

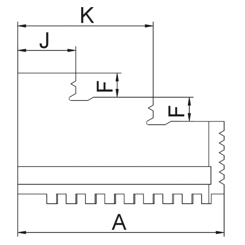
Specificatii Tehnice:

 

Mărime mandrină

100 mm

a

42 mm

B

15 mm

C

38 mm

D

6,5 mm

E

8 mm

F

7 mm

K

28 mm

J

14 mm

 

Daca doresti sa iti exprimi parerea despre acest produs poti adauga un review.

Review-ul a fost trimis cu succes.

Compara produse

Trebuie sa mai adaugi cel putin un produs pentru a compara produse.

A fost adaugat la favorite!

A fost sters din favorite!