Masini unelte prelucrare lemn, metal si tabla - Importator oficial Bernardo Austria in Romania - 0730260454

Bernardo Falci moi superioare DSTJ-DK11-500

Bernardo
2.679,51 Lei
Fălcile moi superioare DSTJ-DK11-500 sunt componente utilizate pentru fixarea pieselor pe mandrinele strungurilor și ale altor echipamente de prelucrare. Acestea permit o ajustare flexibilă și o prelucrare personalizată, fiind ideale pentru fixarea pieselor delicate sau de forme speciale.
La comanda

Durata de livrare: estimativ 2 - 10 zile lucratoare in functie de locatia si disponibilitatea stocului IASI sau AUSTRIA, iar pentru produsele LA COMANDA va rugam solicitati termen de livrare

Limita stoc
Adauga in cos
Cod Produs: BN-21-0882 Ai nevoie de ajutor? 0730260454
Adauga la Favorite Cere informatii
  • Caracteristici
  • Review-uri (0)

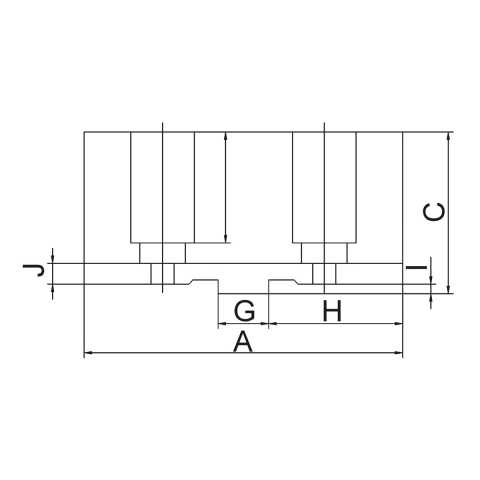
Specificatii Tehnice:

 

Mărime mandrină

500 mm

a

140 mm

B

42 mm

C

74,5 mm

D

12,71 mm

E

34,4 mm

F

76,2 mm

G

19,04 mm

h

63 mm

I

6,3 mm

J

4 mm

Mărime bolţuri

M20

 

Daca doresti sa iti exprimi parerea despre acest produs poti adauga un review.

Review-ul a fost trimis cu succes.

Compara produse

Trebuie sa mai adaugi cel putin un produs pentru a compara produse.

A fost adaugat la favorite!

A fost sters din favorite!