Masini unelte prelucrare lemn, metal si tabla - Importator oficial Bernardo Austria in Romania - 0730260454

Bernardo Falci dure de interior DIJ-DK11-400

Bernardo
1.535,00 Lei
Aceste bacuri sunt ideale pentru aplicații de strunjire care necesită o prindere fermă și repetabilă a pieselor cilindrice, asigurând un nivel ridicat de precizie și siguranță în timpul prelucrării.
La comanda

Durata de livrare: estimativ 2 - 10 zile lucratoare in functie de locatia si disponibilitatea stocului IASI sau AUSTRIA, iar pentru produsele LA COMANDA va rugam solicitati termen de livrare

Limita stoc
Adauga in cos
Cod Produs: BN-21-0975 Ai nevoie de ajutor? 0730260454
Adauga la Favorite Cere informatii
  • Caracteristici
  • Review-uri (0)

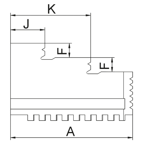
Specificatii Tehnice:

 

Mărime mandrină

400 mm

a

138 mm

B

36 mm

C

91 mm

D

13,5 mm

E

13 mm

F

18 mm

K

93,5 mm

J

41,5 mm

 

Daca doresti sa iti exprimi parerea despre acest produs poti adauga un review.

Review-ul a fost trimis cu succes.

Compara produse

Trebuie sa mai adaugi cel putin un produs pentru a compara produse.

A fost adaugat la favorite!

A fost sters din favorite!