Masini unelte prelucrare lemn, metal si tabla - Importator oficial Bernardo Austria in Romania - 0730260454

Bernardo Falci interne dure IJ-PS3-250

Bernardo
1.106,97 Lei
Falci de prindere special concepute pentru mandrine cu 3 fălci de tip PS3, cu un diametru de 250 mm. Acestea sunt utilizate ca fălci de înlocuire sau suplimentare pentru mandrinele de strung și permit fixarea precisă a pieselor de prelucrat în timpul procesului de strunjire.
In stoc

Durata de livrare: estimativ 2 - 10 zile lucratoare in functie de locatia si disponibilitatea stocului IASI sau AUSTRIA, iar pentru produsele LA COMANDA va rugam solicitati termen de livrare

Limita stoc
Adauga in cos
Cod Produs: BN-21-3405 Ai nevoie de ajutor? 0730260454
Adauga la Favorite Cere informatii
  • Caracteristici
  • Review-uri (0)

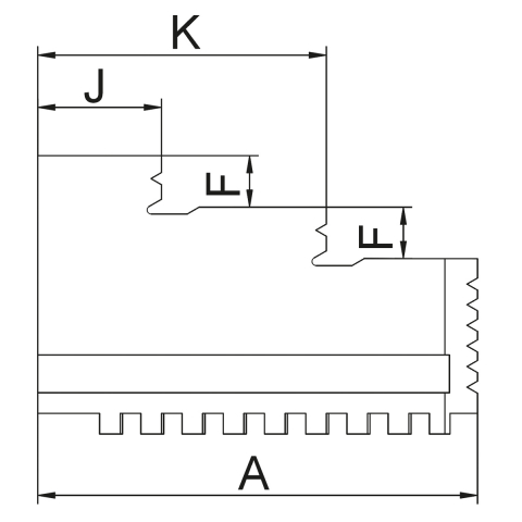
Specificatii Tehnice:

 

Mărime mandrină

250 mm

a

105 mm

B

28 mm

C

63 mm

D

11 mm

E

12 mm

F

14 mm

K

69,5 mm

J

28 mm

 

Daca doresti sa iti exprimi parerea despre acest produs poti adauga un review.

Review-ul a fost trimis cu succes.

Compara produse

Trebuie sa mai adaugi cel putin un produs pentru a compara produse.

A fost adaugat la favorite!

A fost sters din favorite!