Masini unelte prelucrare lemn, metal si tabla - Importator oficial Bernardo Austria in Romania - 0730260454

Bernardo Falci de schimb reversibile TJ-PS3-200

Bernardo
895,41 Lei
Fălcile interschimbabile reversibile sunt utilizate pe mandrine pentru prinderea pieselor de lucru, permițând o utilizare eficientă atât pentru părțile pozitive cât și pentru cele negative ale pieselor.
La comanda

Durata de livrare: estimativ 2 - 10 zile lucratoare in functie de locatia si disponibilitatea stocului IASI sau AUSTRIA, iar pentru produsele LA COMANDA va rugam solicitati termen de livrare

Limita stoc
Adauga in cos
Cod Produs: BN-21-3322 Ai nevoie de ajutor? 0730260454
Adauga la Favorite Cere informatii
  • Caracteristici
  • Review-uri (0)

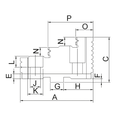
Specificatii Tehnice:

 

Mărime mandrină

200 mm

M

22,25 mm

h

34,9 mm

G

12,69 mm

L

12 mm

J

11 mm

K

17 mm

D

7,95 mm

E

4 mm

F

3,2 mm

R

19 mm

N

10,5 mm

C

45 mm

B

27 mm

a

80 mm

O

25 mm

P

53 mm

 

Daca doresti sa iti exprimi parerea despre acest produs poti adauga un review.

Review-ul a fost trimis cu succes.

Compara produse

Trebuie sa mai adaugi cel putin un produs pentru a compara produse.

A fost adaugat la favorite!

A fost sters din favorite!