Masini unelte prelucrare lemn, metal si tabla - Importator oficial Bernardo Austria in Romania - 0730260454

Bernardo Falci de schimb reversibile TJ-PS3-125

Bernardo
576,14 Lei
Fălcile interschimbabile reversibile sunt utilizate pe mandrine pentru prinderea pieselor de lucru, permițând o utilizare eficientă atât pentru părțile pozitive cât și pentru cele negative ale pieselor.
In stoc

Durata de livrare: estimativ 2 - 10 zile lucratoare in functie de locatia si disponibilitatea stocului IASI sau AUSTRIA, iar pentru produsele LA COMANDA va rugam solicitati termen de livrare

Limita stoc
Adauga in cos
Cod Produs: BN-21-3320 Ai nevoie de ajutor? 0730260454
Adauga la Favorite Cere informatii
  • Caracteristici
  • Review-uri (0)

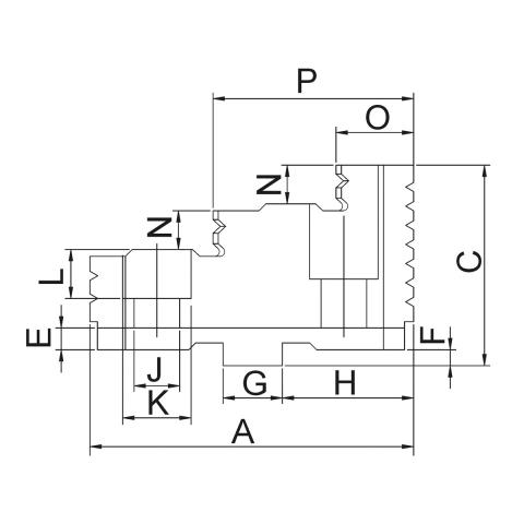
Specificatii Tehnice:

 

Mărime mandrină

125 mm

M

16 mm

h

22,6 mm

G

12,69 mm

L

10 mm

J

9 mm

K

14 mm

D

7,95 mm

E

4 mm

F

3,2 mm

R

13 mm

N

8 mm

C

38,5 mm

B

22 mm

a

56 mm

O

14,5 mm

P

35 mm

 

Daca doresti sa iti exprimi parerea despre acest produs poti adauga un review.

Review-ul a fost trimis cu succes.

Compara produse

Trebuie sa mai adaugi cel putin un produs pentru a compara produse.

A fost adaugat la favorite!

A fost sters din favorite!