Masini unelte prelucrare lemn, metal si tabla - Importator oficial Bernardo Austria in Romania - 0730260454

Bernardo Falci de baza dure MJ-PS3-315

Bernardo
1.624,85 Lei
Sunt fălci de bază utilizate pentru fixarea pieselor în mandrine, având un design robust și rezistent. Acestea sunt de obicei folosite pentru aplicații standard, fiind o componentă esențială pentru o prindere stabilă și precisă a pieselor de lucru pe mașini de prelucrat
In stoc

Durata de livrare: estimativ 2 - 10 zile lucratoare in functie de locatia si disponibilitatea stocului IASI sau AUSTRIA, iar pentru produsele LA COMANDA va rugam solicitati termen de livrare

Limita stoc
Adauga in cos
Cod Produs: BN-21-3284 Ai nevoie de ajutor? 0730260454
Adauga la Favorite Cere informatii
  • Caracteristici
  • Review-uri (0)

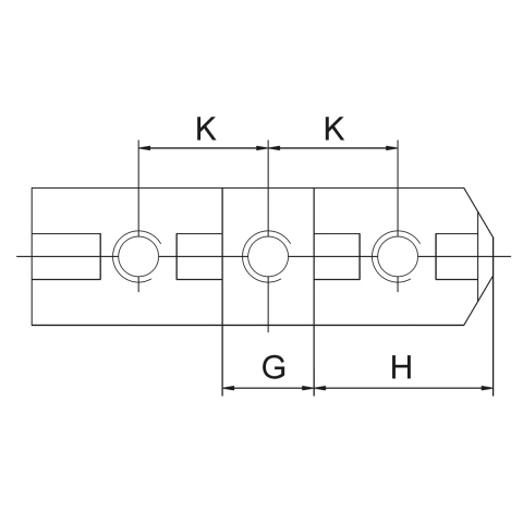
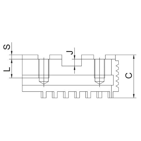
Specificatii Tehnice:

 

Mărime mandrină

315 mm

K

31,75 mm

h

47,6 mm

G+0,01

19,04 mm

F-0,03

12,7 mm

J

4 mm

S

3,2 mm

C

40 mm

L

16 mm

D

12,7 mm

E

12 mm

B

32 mm

a

110 mm

Mărime bolţuri

M12

 

Daca doresti sa iti exprimi parerea despre acest produs poti adauga un review.

Review-ul a fost trimis cu succes.

Compara produse

Trebuie sa mai adaugi cel putin un produs pentru a compara produse.

A fost adaugat la favorite!

A fost sters din favorite!